Schraubzylinder - 1700-22 A1
|
 |
 |
| Schliessungen
|
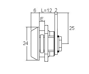
Max. 400 |
E = Material max. |
5mm |
| PP/Hauptschlüssel |
möglich |
L = |
12mm |
| Oberfläche |
verchromt |
|
|
| Für |
DAD / Feba / Alumhaus / Kehrer-Stebler |
|
|
| Riegel |
Schliessweg |
ähnliche Produkte |
| |
|
|
|
R0025 |
180° 2x abziehbar / retirable |
1048-A |
1700-22 KS |