Schraubzylinder - 9037-UTZ
|
 |
 |
| Schliessungen
|
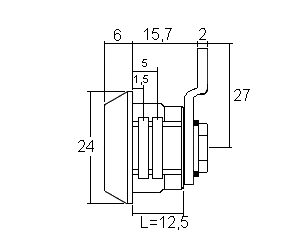
Max. 400 |
E = Material max. |
4,5mm |
| PP/Hauptschlüssel |
möglich |
L = |
12,5mm |
| Oberfläche |
verchromt |
siehe auch Riegelblatt Nr. |
6 |
| Für |
UTZ |
Inkl. je 3 Schlüssel |
|
| Riegel |
Schliessweg |
ähnliche Produkte |
| |
|
|
|
R0327 |
90° 1x abziehbar / retirable |
1309-101N |
256/16 |