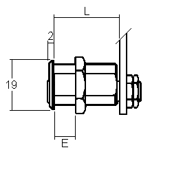
Schraubzylinder - 5634/33
|
 |
 |
| Schliessungen
|
Max. 300 |
E = Material max. |
19mm |
| PP/Hauptschlüssel |
nicht lieferbar |
L = |
22,5mm |
| Oberfläche |
vernickelt |
links |
5634/33-B |
|
|
rechts |
5634/33-A |
|
|
siehe auch Riegelblatt Nr. |
5 |
| Riegel |
Schliessweg |
ähnliche Produkte |
| |
|
|
|
R680 |
90° 1x abziehbar / retirable |
5634 |
216-25 |