Schraubzylinder - 5225-F

5225-F
5225-F 5225-F
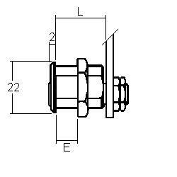
Schliessungen Max. 400 E = Material max. 19mm
PP/Hauptschlüssel auf Anfrage L = 22,5mm
Oberfläche vernickelt siehe auch Riegelblatt Nr. 5
Für WEMA - Wabe wird ersetzt durch 320-20 mit Riegel R1201.B
Riegel Schliessweg ähnliche Produkte
R738
90° 1x abziehbar / retirable
320-20
5225

Produktefilter

Zusatzfilter

PDF drucken

Diese Kategorie drucken
 
Rohner AG/SA
Eisenwaren
Kalberweidli 2
CH-6214 Schenkon
+41 (41) 921 77 70