Schraubzylinder - 2800-03
|
 |
 |
| Schliessungen
|
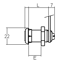
Max. 200 |
E = Material max. |
20mm |
| PP/Hauptschlüssel |
nicht lieferbar |
L = |
27mm |
| Oberfläche |
verchromt |
siehe auch Riegelblatt Nr. |
3 |
|
ideal für Holz |
|
|
| Riegel |
Schliessweg |
ähnliche Produkte |
| |
|
|
|
R4929.01 |
180° 2x abziehbar / retirable |
5634 |
2800-01 |