Schraubzylinder - 1700-57

1700-57
1700-57 1700-57
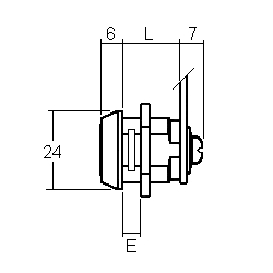
Schliessungen Lager max. 400 (Werk max.500) E = Material max. 12mm
PP/Hauptschlüssel möglich L = 18mm
Oberfläche verchromt siehe auch Riegelblatt Nr.
Für WAGNER (alt) lieferbar mit Klemmfeder
Riegel Schliessweg ähnliche Produkte
R0550
180° 2x abziehbar / retirable
32100
911-B

Produktefilter

Zusatzfilter

PDF drucken

Diese Kategorie drucken
 
Rohner AG/SA
Eisenwaren
Kalberweidli 2
CH-6214 Schenkon
+41 (41) 921 77 70