Schraubzylinder - 1700-22 KS
bestellen
PDF drucken
Schliessungen
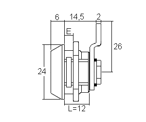
Max. 400
E = Material max.
5mm
PP/Hauptschlüssel
möglich
L =
12mm
Oberfläche
verchromt
Für
KEHRER-STEBLER
Riegel
Schliessweg
ähnliche Produkte
R0226
180° 2x abziehbar / retirable
1700-22 A1
1048-A
DE
|
FR
|
Home
|
Unternehmen
|
Kontakt
|
Impressum
|
Datenschutz
Produkte
News
Info's
Standort
Kontakt
Bestellformular
Bestellinformationen
Schliesswegtabelle
Pflegehinweis
Montagehinweise
Nachschlüssel
Links
Händlerverzeichnis
Download
AGB
Katalog 2025
Produktefilter
- Suche auf ganzer Webseite -
Schlüssel
Code Schlösser etc.
Schraubzylinder
Klemmzylinder
Druckzylinder
Vorreiber
Griffe und Knöpfe
Profilzylinder
Spezialzylinder
Möbelschlösser
Zubehör
Zusatzfilter
- Material-Stärke -
max. 2.0 mm
max. 3.0 mm
max. 4.0 mm
max. 5.0 mm
max. 6.0 mm
max. 7.0 mm
max. 8.0 mm
max. 9.0 mm
max. 10.0 mm
max. 11.0 mm
max. 12.0 mm
max. 13.0 mm
max. 14.0 mm
max. 15.0 mm
max. 16.0 mm
max. 17.0 mm
max. 18.0 mm
max. 19.0 mm
max. 20.0 mm
max. 21.0 mm
max. 23.0 mm
max. 24.0 mm
max. 25.0 mm
max. 26.0 mm
max. 27.0 mm
max. 28.0 mm
max. 32.0 mm
max. 33.0 mm
max. 34.0 mm
max. 46.0 mm
- Durchmesser -
12 mm
14 mm
15 mm
16 mm
18 mm
19 mm
20 mm
21 mm
22 mm
23 mm
25 mm
PDF drucken
Diese Kategorie drucken
Suche drucken
Münzpfandschloss XCOIN1
Set Multi-9000
X1
X11
X16
X18
X20
X25BOX
X25M
X30
X30M
X32
B26
B1031
B1031N
M50
M56
M58
216A
216-17
216-25
216-30
320-17
320-20
320-25
320-25Kaba
320-30Kaba
320-30
911-A
911-A/R911.172
911-B
911-C
911-D
1048
1048-A
1063
M50 (1113)
1201
1228
1275
1309-101N
1351-10
1700-07
1700-22 KS
1700-22 KS Original
1700-22 A1
1700-28
1700-34
1700-57
C2040-22
C2040-26
C2040 (40mm)
2800-01
2800-03
5036 SWISSBOX
5225
5225-DB
5225-F
5225/42
5254
5254-DB
5256
5256-DB
5256/42
5634
5634/33
6220
6657
5050
7022
7026
7035
7038 / 7039
7045 / 7046 Premium
7045
7047
7048
7054
8700-01
8800-01
9037
9037-UTZ
9090
9150
9316
9316S
9317
9320
9325
9330
9334
9354
14700-32
20200 DIN
DIN VK6 Spezial GH40
25300-10
32100
73100
25100
5048
5004 HUBER
6655 DIN M16
7041
7041oR
7042
5069