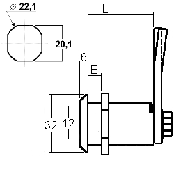
Schraubzylinder - DIN VK6 Spezial GH40
|
 |
 |
| Schliessungen
|
Max. 1 |
E = Material max. |
33mm |
| PP/Hauptschlüssel |
nicht möglich |
L = |
40mm |
| Oberfläche |
Zinkdruckguss, schwarz |
|
|
| Verwendung |
Sicherheitsvorreiber |
|
|
|
Öffnung mit Schlüssel und Vierkant |
|
|
| Riegel |
Schliessweg |
ähnliche Produkte |
| |
|
|
|
RZH 18 |
90° |
diverse DIN |
20200 DIN |