Schraubzylinder - B1031

B1031
B1031 B1031
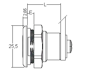
Schliessungen Lager max. 200 (Werk max.2000) E = Material max. 7mm
PP/Hauptschlüssel möglich L = 20,4
Oberfläche verchromt siehe auch Riegelblatt Nr. 2
mit Staubschutz Verwendung Renz mit Riegel 92 (1061-6X5/1061-23))
Verwendung günstiger Kaba-Ersatz 1031/1061 Verwendung Huber mit Riegel 81
wird ersetzt durch Artikel B1031N Verwendung Aludesign Gerber-Vogt
Riegel Schliessweg ähnliche Produkte
inkl. 3 Riegel/Cames
180° 2x abziehbar / retirable
B1031N
320-25Kaba

Produktefilter

Zusatzfilter

PDF drucken

Diese Kategorie drucken
 
Rohner AG/SA
Eisenwaren
Kalberweidli 2
CH-6214 Schenkon
+41 (41) 921 77 70