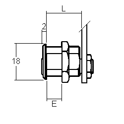
Schraubzylinder - 7047

7047
7047 7047
Schliessungen max. 200 E = Material max. 10mm
PP/Hauptschlüssel nicht möglich L = 16,5mm
Oberfläche matt vernickelt
Für günstiger Ersatz 7045/7046
Für S.Keller AG (Sessler) (Riegel RD0523)
Riegel Schliessweg ähnliche Produkte
RD0030
90° 2x abziehbar/retirable
7045 / 7046 Premium

Produktefilter

Zusatzfilter

PDF drucken

Diese Kategorie drucken
 
Rohner AG/SA
Eisenwaren
Kalberweidli 2
CH-6214 Schenkon
+41 (41) 921 77 70